DIGIWIPER

Genre: Hardware & Software     Creation Date: 2002      Language: 6809 Assembly Language      System: Color Computer 3

 This project was jointly created by Nickolas Marentes (Software) and John Kowalski (Hardware).

 

What is DigiWiper?

DigiWiper is a combination hardware and software device that connects to the Tandy Color Computer 3 and allows you to apply any of 16 black wipe effects between home video footage.

Normally when editing together a number of video shots, two video recorders are connected together with one playing the original footage and the second recording. By stopping and starting the recording video recorder, you can compile a presentation that allows you to include only the scenes you wish to keep while discarding the remainder. What DigiWiper allows you to include is a professional looking black wipe transition between scenes.

As a bonus, DigiWiper also includes a video signal filter that cleans the source video signal to allow a successful transfer of video footage to a backup tape. This is particularly useful for children's videos or DVD's in which to protect your video investment from the curious minds of youngsters who can damage the original media.

NOTE: DigiWiper was developed for NTSC video signals and does not work correctly for PAL.  

 

How it works

The DigiWiper hardware is basically a switch controlled by the computer software that selects between an incoming video signal or a blank signal (internally generated). The DigiWiper software controls the hardware so as to provide video blanking at specific parts of the incoming video signal. It is important that the original signal be restored at the right time so that the original video signal sync pulses are still passed through to prevent loss of image sync. Very tight timing loops were used in the software to keep everything running at precise timing intervals to achieve this and generate the desired  black wipe effects and signal filter.

 

 

Power requirements

The DigiWiper unit may be powered by either a 9-volt alkaline battery installed within the unit or via an external AC power adapter providing a voltage of 6 to 9 volts.

Setup

Connect the DigiWiper unit to the computer via the serial port. There are 2 RCA type jacks on the unit, VIDEO IN and VIDEO OUT. VIDEO IN is where you attach the source video device such as a video or DVD player . VIDEO OUT is where you attach the recording video device usually a video cassette recorder. In order to monitor the signal being recorded, a TV or monitor should be attached to the recording device.

 

 

Demo Video

Click HERE to see a short demonstration video of DigiWiper in action. The file has been frame reduced to occupy less space and the slight jerk you see on the demo, does not actually happen. Of interest is the "sawtooth" shape of the vertical edges of each wipe. This is a 1 cycle timing "drift" between the CoCo and the incoming video signal. Unfortunately, we were unable to eliminate this without adding more circuitry and cost. One of the design criteria of DigiWiper was to see how much we can do for as little hardware as possible. We felt the sawtooth edge was a minor side effect. Bare in mind that DigiWiper is not just a black wipe generator but also a video signal filter for dubbing.  

Availability

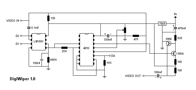
10 units were made and sold for $30US. There are no more units left and we have no plans to make anymore. On this page, we have made available the PCB layout used for the production units and circuit diagram for anyone wishing to build their own.  If anyone would like a higher resolution version of the PCB layout and the software driver, send me an e-mail and I will foward them to you.

PCB Layout for final production units.

 

 

PARTS LIST

RESISTORS

2 x 100 ohm

1 x 150 ohm

1 x 470 ohm

1 x 620 ohm

1 x 10K ohm

1 x 20K ohm

1 x 680K ohm

1 x 5K trimpot

CAPACITORS

2 x 0.1uf mica

1 x 100uf electrolytic

1 x 330uf electrolytic

1 x 470uf electrolytic

SEMICONDUCTORS

1 x 4053

1 x LM1881N

1 x 78L05

1 x 2N3906

1 x 2N2222A

1 x 1N4004

MISCELLANEOUS

2 x RCA jack

1 x Coaxial power jack

1 x Slider switch

1 x 4 Pin DIN plug

1 x 9 volt battery clip

1 x Box

1 x 4 core cable

1 x Cable tie

1 x PCB

 

John Kowalski's prototype #1

Nickolas Marentes' prototype #2

 

PREVIOUS PROJECT

BACK TO HOME PAGE

NEXT PROJECT